文章导航
大三下自动控制下实验报告2。
实验二 实现直流电机位置控制
一、实验设备与软件
1.硬件设备:计算机,NI ElvisⅡ实验平台,Quanser QNET 直流电机。 2.软件系统:Win7 系统,Labview2015 开发软件。
二、实验步骤
1.研读例程,熟悉LabVIEW控制与仿真控件,计数器采样,属性节点的作用,计数值U32换算位置参数,子VI的应用等内容。 2.编程实现对Quanser QNET直流电机的位置控制。 3.调试出系统后,保存记录PD参数初值下的控制曲线图,再对比记录比例、微分参数增大和减小情况下控制曲线变化。
三、LabVIEW 设计过程及说明
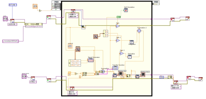
首先应用控制与仿真循环,确定程序的输入量和输出量,输入为采样率和边沿计数 CI,计数器采样得到的结果经过子程序计算后输出位置信息,画出位置的波形,同时,在前面板上显示转速和幅度等信息方便我们观察。在此之后使用PD 控制器,将设定电机位置输入至 PD 控制器,输出实际位置以及电压值,同样,这些值被显示在前面板中, 方便我们观察电机位置控制的方法。
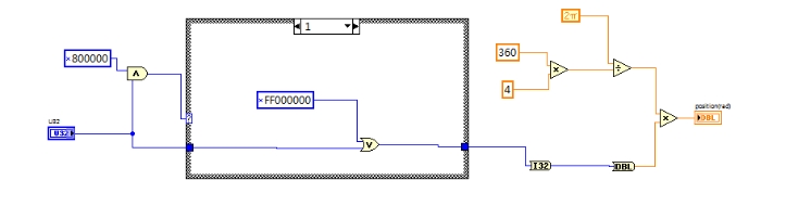
图 1 LabVIEW 程序框图
图 2 LabVIEW 子程序框图
四、实验结果与分析
1.设定采样率 250Hz,PD控制Kp = 2.1,Kd = 0.033,并且幅值为2rad,频率为0.5,波形图如下图所示。
图3 Kp=2.1 Kd=0.033的波形
2.改变 Kp
图4 Kp =1电机位置控制情况
图5 Kp =3电机位置控制情况
对比图 3、图 4、图5可知,增大 Kp 时,系统超调量基本不变,调节时间延长,Kp 过大会出现震荡。减小 Kp 时,超调量减小,调节时间缩短,但过小的 Kp 会引起稳态误差。经调试,Kp = 2.1 时系统性能最好。
3.改变 Kd
图6 Kd =0.01电机位置控制
图7 Kd =0.1电机位置控制情况
对比图 3、图 6、图7可知,增大 Kd 后,超调量减小,产生较大的滞后和稳态误差。减小 Kd 后,系统稳态误差增大,系统调整时间延长。经调试,Kd= 0.068 时系统性能最好。
五、问题及解决方法
问题:程序工作但是无图像显示 解决方法:程序框图中的控制与仿真循环有误。
六、实验结果讨论
本次实验研讨了PD控制直流电机的位置。PD控制参数中Kp 是比例系数,Kp 比例控制不能消除稳态误差,Kp 加大会引起系统的不稳定;控制系统的超调量 Kd 是微分系数,可以减小超调量,克服震荡使得系统的稳定性提高,同时加快系统的动态响应速度,从而改善系统的动态性能。


