文章导航
大三下自动控制下实验报告1。
实验一 实现直流电机系统模型识别
一、实验设备与软件
1.硬件设备:计算机,NI ElvisⅡ实验平台,Quanser QNET 直流电机。 2.软件系统:Win7 系统,Labview2015 开发软件。
二、实验步骤
1.研读例程,熟悉 LabVIEW ,及方波、滤波器、波形生成、系统辨识等控件。 2.编程实现对 Quanser QNET 直流电机的系统辨识,获得电机的模型参数 3.调试出系统后,保存记录幅值、频率、采样率初值下的曲线图与辨识结果,再对比记录幅值、频率、采样率增大和减小情况下曲线变化和辨识结果。
三、LabVIEW 设计过程及说明
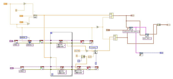
本次实验在给定采样率,幅值和频率的情况下通过信号发生函数产生方波,送入模拟波形函数得到激励方波信号。同时,在 for 循环内,根据给定的电压值和采样率在 AI 处产生波形,并将此波形经过低通滤波得到实际转速。从理论上来说,转速与给定的电压成正比,电压越大,转速越快,但是实际转速还受到阻尼、上升时间等方面的影响,与理论曲线有一定的差异。 将激励方波作为系统传递函数模型辨识的激励信号波形输入,实际转速作为响应信号波形输入,设置传递函数分子多项式阶数为0,分母多项式阶数为1,系统传递函数模型输出与激励方波送入模型仿真得到模型的理论曲线,理论曲线和实际转速图像显示在前面板上。模型输出送入系统模型得到传递函数表达式,得到电机模型,由电机模型可以计算出 PID 参数等后续内容。
图 1 LabVIEW 程序框图
四、实验结果与分析
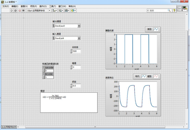
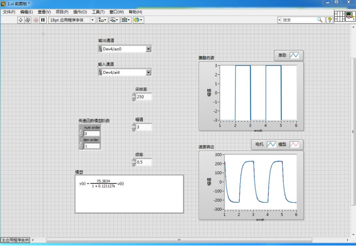
1.将传递函数模型设定为一阶系统,设定基本参数初值采样率 250Hz,幅值为 3V,频率为0.5Hz,据此画出的波形以及拟合出的传递函数如图 2 所示。
图 2 采样率250Hz 幅值为 3V 频率为 0.5Hz 时的波形和传递函数
2.改变采样率
图 3 采样率为500Hz时的波形和传递函数
图 4 采样率50Hz时的波形和传递函数
由图 2、图 3、图 4 的对比可以看到,当采样率越大,电机实际输出信号曲线与模型理论曲线拟合效果越好,传递函数的比例系数和时间常数也稍有增大。在采样率为 50Hz 的时候,电机输出信号与模型信号拟合效果比较差,有毛刺信号,表明50Hz的采样率不适用。
3.改变幅值
图 5 幅值为1时的波形和传递函数
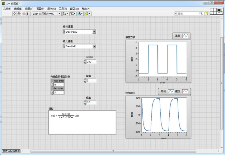
图6 幅值为5的波形和传递函数
由图 2、图 5、图 6 的对比可以看到,通过增大方波幅值可以使得传递函数的比例系数增大,同时时间常数 T 增大,响应时间变慢。
4.改变频率
图 7 频率为0.1时的波形和传递函数
图 8 频率为1时的波形和传递函数
由图 2、图 7、图 8 的对比可以看到,通过修改频率的大小对传递函数模型的影响较小,影响的是曲线中周期的数目,一般来说曲线中以2-3个周期为佳,频率太小图像中只有一个周期,不具代表性;频率太大,图像中周期太多,细节信息观察不到。
五、调试中的出现的问题与解决方法
1.问题:电机输出信号与模型信号不符合激励方波的响应信号的图像 解决方法:检查程序框图的接线是否有误。 2.问题:调节时间过长 解决方法:适当减小采样率、幅值。
六、实验总结
本次实验通过LabVIEW软件和Quanser QNET直流电机实现直流电机系统模型识别,在LabVIEW软件程序框图编程,在前面板对不同幅值、频率、采样率实验。实验操作完成后,对记录的不同幅值、频率、采样率参数下的系统辨识结果,进行对比分析。通过这次实验的学习,我们对LabVIEW软件有了更深的掌握,加深了对参数影响系统辨识的理解。


