文章导航
大三上自控上实验报告
一、实验目的
了解直流电机转速测量与控制的基本原理。
掌握LabVIEW图形化编程方法,编写直流电机转速控制系统程序。
熟悉PID参数对系统性能的影响,通过PID参数调整掌握PID控制原理。
二、实验设备与器件
计算机、NI ELVIS II多功能虚拟仪器综合实验平台、LabVIEW软件、万用表、12V直流电机、光电管,电阻、导线。
三、实验原理
直流电机转速测量与控制系统的基本原理是:通过调节直流电机的输入电压大小调节电机转速;利用光电管将电机转速转换为一定周期的光电脉冲、采样脉冲信号,获取脉冲周期。将脉冲的周期变换为脉冲频率,再将脉冲频率换算为电机转速;比较电机的测量转速与设定转速,将转速偏差信号送入PID控制器,由PID控制器输出控制电压,通可变电源输出作为直流电机的输入电压,实现电机转速的控制。原理框图、检测与控制硬件电路图如图1和图2所示:
图1 电机转速测量与控制原理框图
图2 电机转速测量与控制硬件电路图
直流电机转速控制设计中特别需要考虑的问题:
电机启动的“死区”问题。电机刚上电时速度为0,光电检测脉冲周期测量为0,那么脉冲频率测量为无限大,该怎么办? 一个办法:设定转速的“虚拟下限”。
可变电源输出初始电压一定要调为0,避免烧坏直流电机。还要避免电源短接。
需要设置合适参数值:PID参数、转速下限、设定转速上限、可变电源的电压输出范围、数据采集的采样率等,而所有这些参数都需要根据所用的直流电机来考虑,低速电机与高速电机是完全不同的。
采样率(Sample Rate)的设置与待读取样本(Samples to Read)设置。连续采集中,要使ELVIS数据采集平台的FIFO缓存与计算机内存这两处缓存一直不溢出, 必须保证USB总线的数据转移速率大于数据采集速率,同时程序必须尽快读取计算机内存中的数据。采样率设置一般建议为乃奎斯特频率的10倍或更高;待读取样本(Samples to Read)设置为 采样率数值的1/10到1/5。
PID控制算法可利用LabVIEW PID工具包中现成PID函数,也可以自行设计。PID参数调整采用试凑法。
四、实验过程
- 在实验板上搭建出电机转速光电检测电路
将光电管、直流电机安装在实验板上的合适位置,使得直流电机的圆片恰好在光电管之中,用导线将光电管与相应阻值的电阻相连,并将电路与相应的接口相连。
- 应用Lab VIEW软件设计实现对直流电机转速的检测与PID控制
SP为期望转速输出,是用户通过转盘输入期望的转速;PV为实际测量得到的电机转速,通过光电开关测量马达转速可以得到;MV为PID输出控制电压,将其接到“模拟DBL”模块,实现控制电源产生所需的直流电机控制电压。通过不断地检测马达转速与期望值对比产生偏差,通过PID控制器产生控制信号,实现对直流电机转速的控制。
任务一:
使用NI ELVIS可变电源提供的电源能力,驱动直流电机旋转,并通过改变电压改变其运行速度。
程序框图:
界面:
通过改变电压值,观测到电动机转速发生变化。
任务二:
通过光电开关测量直流电机的转速。
调用例程,测量结果如下:
将输入输出整合,程序框图如下:
输出界面如下:
可以实现输入电压、转速测量的同时控制。
任务三:
通过编程将 可变电源所控制的电机和转速测量整合在一起,基于计算机实现一个转速自动控制系统。
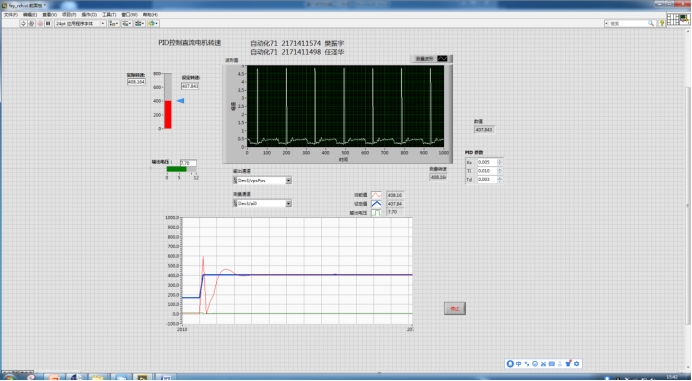
LabVIEW编写的程序如下图所示:
(1) 当
、
、
时
转速上升:
转速下降:
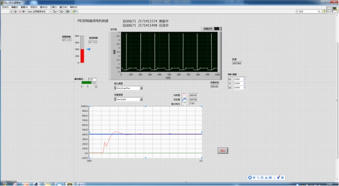
(2)Kc不合适
当
、
、
时
Kc大了有超量
当
、
、
时
Kc小了调节时间变长
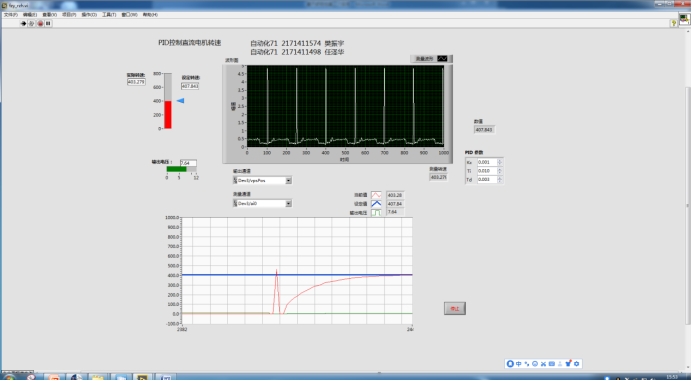
(3)Td,min不合适
当
Td,min有震荡
当时
Td,min小了调节效果不好
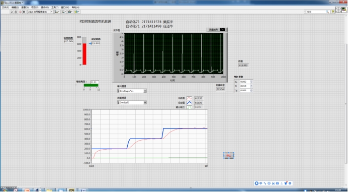
(4)Ti,min不合适
当时
Ti,min小了有超调
当
、Ti,min = 0.1000、
时
Ti,min大了调节时间变得很慢
五、结果分析
经过多次调试可以发现,当时,系统调节时间短且不会出现超调,效果最佳。调试结果见上图(1)。
六、思考题
如果已知马达最高转速为800r/min,采样率设置为1kS/s够吗?
假如采样率为1kS/s,待读取样本为100,每次采集到的波形时间为多长?
假如采样率为1kS/s,为了每次一屏显示为1s的波形,待读取采样应该设置为多长?
答:
周期,故采样率足够;
波形时间
;
待读取采样应该设置为
。


